
煙、風、煤粉管道ygfb(圓形)波紋補償器是由橡膠和纖維織物復合材料、鋼置法蘭、套筒、保溫隔熱材料組成,主要用于各種風機、風管之間的柔性連接,其功能是減振、降噪、密封、耐介質,便于位移和安裝。是環境保護領域中極為理想的減震、降噪、消除煙塵的管道件。
【產品名稱】:煙、風、煤粉管道YGFB(圓形)波紋補償器
【產品別名】:波紋補償器
【產品規格】:【DN32mm-DN4000mm】
【產品認證】:ISO9001-2008
【適用范圍】:【弱酸、弱堿、弱腐蝕類、油、熱水、冷水等】
【產品材質】:碳鋼,球墨鑄鐵,不銹鋼.
【產品顏色】:藍色,可根據客戶要求調色.
【工作溫度】:-40度至80度
產品優勢: 1、補償膨脹:可以補償多方向,大大優于普通的單向金屬補償器。
2、補償安裝誤差,由于管道聯接過程中,系統誤差在所難免,纖維補償器較好的消除安裝誤差。
3、消聲隔振:纖維織物、保濕棉本身具有吸聲、隔振功能,能有效地減少鍋爐、風機等系統的噪聲和振動。
4、無反推力:由于主體材料為纖維織物、無力的傳遞。用纖維補償器可簡化設計、避免使用大的支座,節省大量的材料和勞動力。
5、良好的耐高溫、耐腐蝕性:使用的氟塑料、有機硅材料較好的耐高溫和耐腐蝕性能。
6、密封性好:有比較完善的生產裝配系統,纖維補償器基本無泄漏。
7、體輕、結構簡單、安裝維修方便。

1、法蘭螺栓應逐步均勻地加壓擰緊,所有螺絲栓松緊度盡可能一致。使用條件惡劣的場合,除加平墊外可添加弱彈簧圈,以防螺母松動。
2、補償器與配套平焊法蘭之間應按工作溫度選用相應橡膠石棉墊片。
3、在試行時,應將補償器限位螺絲作適當調整,便于產品伸長或壓縮。
4、焊管連接時,應將限位螺絲適當松動,防止將補償器限位板拉彎或產品變形。
5、焊接作業時作蓋物遮住橡膠(織物)表面,防止焊渣損傷產品。
應用范圍: 1、熱電廠(1)汽機(2)鍋爐(3)除塵;
2、水泥廠;
3、鋼鐵廠、熔煉爐、焚燒爐;
4、熱電廠及核電站;
5、空調送風系統;
6、玻璃及礦棉業;
7、石油化工企業;
8、空氣及煤氣清潔廠;
9、風機廠;
10、鋁廠和碳素廠。
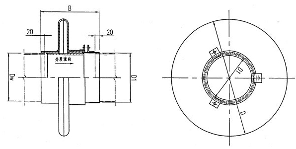
技術參數:
公稱通徑DN
|
DW |
D |
D1 |
B |
重量Kg |
400 |
426 |
740 |
430 |
325 |
36.9 |
450 |
480 |
894 |
484 |
45.3 |
|
500 |
530 |
944 |
534 |
49.3 |
|
600 |
630 |
1043 |
633 |
57.5 |
|
700 |
720 |
1133 |
723 |
65.2 |
|
800 |
820 |
1233 |
823 |
73.4 |
|
900 |
920 |
1333 |
923 |
81.4 |
|
1000 |
1020 |
1433 |
1123 |
89.6 |
|
1100 |
1120 |
1533 |
1123 |
99.3 |
|
1200 |
1220 |
1633 |
1223 |
106.7 |
|
1300 |
1320 |
1733 |
1323 |
114.8 |
|
1400 |
1420 |
1833 |
1423 |
122.6 |